Varen er på fjernlager, leveringstiden er 3-4 hverdager. Mere info
Frakt 75,00 - Bring - Hentes på Posten.
Se alle alternativer
Bring - Hentes på Posten
75,00
Bring - Fleksibel hjemlevering - Levering til døren (om kvelden i større byer)
224,00
NOK
203,00
eksklusiv MVA 162,40
Totalt inkl. frakt
278,00
Denne funksjonen krever at man er logget inn. Opprett en bruker og liste systemet for å holde styr på fremtidige kjøp eller ønskelister. Opprett bruker Login
Send på mail
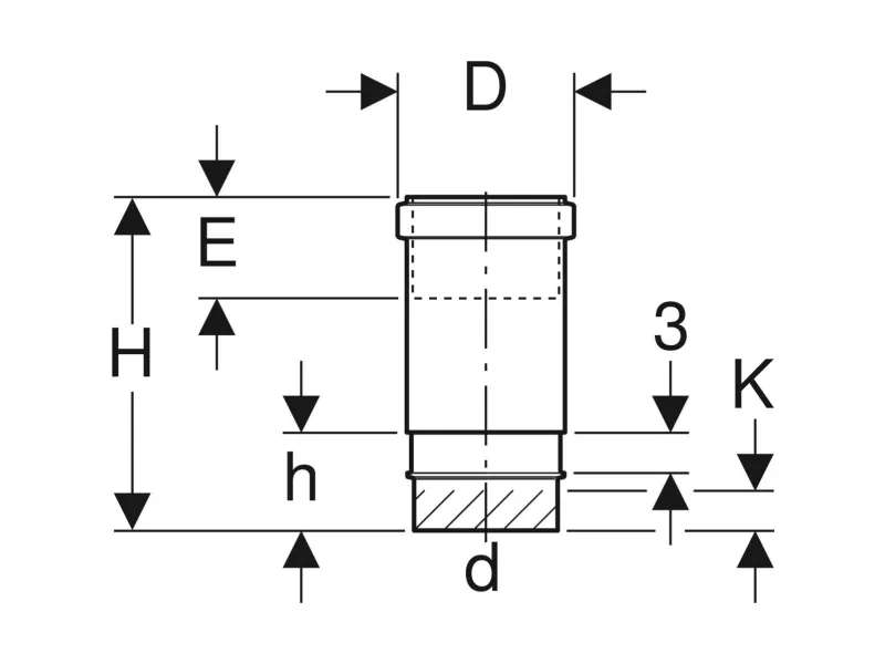
Ekspansionsmuffe
63mm
UV-bestandig
Til afløbsledninger
Til vandret og lodret montering
Produktet har følgende varenummer i vårt system:
EAN:
4025416026433
EAN:
4025416202967
SKU:
364.700.16.1
SKU:
GEB-1273036
VVSnr:
184101263
Hvorfor oplever jeg at den umiddelbart samme vare findes på forskellige varenumre?
Producenterne udgiver ofte den samme vare med forskellige varenumre, typisk handler det udelukkende om forskellige versioner af emballagen. Eksempelvis kan emballagen være målrettet forskellige lande.
Vi forsøger bedst muligt at samle varerne, men det kan opleves at den samme vare figurerer på forskellige varenumre i vores system.